使用双金属温度计插入深度多少?
双金属温度计是一种测量中低温度的现场检测仪表。双金属温度计可以直接测量各种生产过程中的-80℃~+500℃范围内液体、蒸汽和气体介质温度。
双金属温度计应用于化学和石油化工产业;动力工程;食物领域;机械制造和一般工厂建设。

使用双金属温度计插入深度多少?
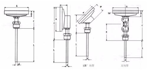
森垚仪表回答:双金属温度计插杆与插入深度,双金属温度计探杆就是测量测量元件的延伸长度。插杆是指连接螺纹或法兰到探杆底端的长度,也叫插入深度。
双金属温度计的插入长度常见的为75mm-1000mm,正确的插入深度有利于测温准确,在现场使用选型时根据设备尺寸、设备的状况和工艺的测量要求来选择的。插入深度不同,大家可以定制相应的感温管长度。

下一篇:如何定制压力式温度计探头?上一篇:家用双金属温度计的用途
此文关键字:双金属温度计
森垚仪表最新产品
森垚仪表同类文章排行
- 双金属温度计在安装时需要注意哪些地方?
- 充油压力表内部的油发白是怎么回事?
- 温湿度计的使用注意事项
- 关于食品温度计的知识
- ET400-2压力式温度计介绍
- 双金属温度计能不能微调?
- 充油表漏油的原因是什么?
- 美国用万向型双金属温度计护片和欧洲用的护片有什么不一样?
- 微压表在检验时遇到精度不准的情况该怎么办?
- 如何理解双金属温度计的准确性?
森垚仪表最新资讯文章
您的浏览历史







